18. GX - Generator auto start/stop
18.1. Introduction
By integrating an AC or DC generator with a GX device, the following features become available:
General features:
Automatic generator control: Start and stop the generator automatically using the “Generator auto start/stop” functionality based on various system conditions.
Manual control and scheduling: Start and stop the generator manually, with the option to schedule a timed run.
Service tracking: Monitor operating hours and service intervals.
Extended genset lifespan: Integrated warm-up and cool-down features ensure proper lubrication before load application and prevent sudden shutdowns.
For connected gensets:
Performance monitoring: View AC or DC production data.
Engine parameter tracking: Monitor pressure, temperature, RPM, starter battery voltage, and fuel tank levels.
Error alerts: Receive notifications on system errors.
DVCC support: Selected DC generators support Distributed Voltage and Current Control (see the DVCC - Distributed Voltage and Current Control) chapter.
Monitoring and control are available not only on the GX device itself, but also through the VRM portal and the Marine MFD HTML5 app. For more details, refer to the VRM Portal and Marine MFD integration by App chapters.
More general information about planning a Victron system with a generator is also available in the MultiPlus Generator FAQ.
18.2. How to integrate
There are two integration options:
Relay-Controlled Integration: A wired potential-free start/stop signal is supported via Relay 1 of the GX device (see section 17.2.7 for Relay-Controlled Start/Stop Signal).
Connected genset integration: If the generator or its controller is listed in the table below, digital communication is supported for readout and control via VE.Can, Ethernet, or RS485 (using an RS485-to-USB converter such as the Victron RS485 to USB interface).
Supported AC generator controllers for connected genset integration
Manufacturer | Model | Connection type | Remarks |
|---|---|---|---|
ComAp | InteliLite 4 AMF 25 InteliLite 4 AMF 20 InteliLite 4 AMF 9 InteliLite 4 AMF 8 InteliLite 4 MRS 16 | Ethernet | |
CRE Technology | Compact AMF Gensys Compact Prime Gensys Compact Mains | Ethernet | |
Deep Sea Electronics | DSE4620 | Ethernet or RS485 | For Ethernet: See 1) For RS485: See 2) and 3) |
DSE6120 | |||
DSE4510 MKII | |||
DSE4520 MKII | |||
DSE6110 MKII | |||
DSE6120 MKII | |||
DSE7310 MKII | For Ethernet: See 1) For RS485: See 3) | ||
DSE 7410 MKII | For RS485: See 4) | ||
DSE 7420 MKII | |||
DSE8610 MKII | |||
DSE8620 MKII | |||
DSE8660 MKII | |||
DEIF | AGC 150 Generator | Ethernet or RS485 | For RS485: See 4) |
AGC 150 Hybrid | |||
AGC 150 PMS Lite | |||
Fischer Panda | xControl | VE.Can | |
iGenerator | |||
fpControl | |||
1) This model does not include Ethernet connectivity. Therefore, the Deep Sea Electronics DSE855 USB-to-Ethernet communication device, or another Ethernet-enabled DSE gateway, is required. 2) This model does not include RS485 connectivity. Therefore, the Deep Sea Electronics DSE857 USB-to-RS485 communication device, or another RS485-enabled DSE gateway, is required. 3) The Hjelmslund Electronics USB485-STIXL Isolated USB to RS485 converter is required (https://hjelmslund.eu/) 4) This model includes a built-in isolated RS485 port; however, the Victron RS485 to USB interface is required. | |||
Supported DC generator controllers for connected genset integration
Manufacturer | Model | Connection type | Notes |
|---|---|---|---|
Fischer Panda | fpControl | VE.Can | |
Hatz | fiPMG | VE.Can | Supports DVCC voltage control |
Important
The GX device supports only one connected genset controller. When integrating via Ethernet, ensure that only one genset controller is accessible to the GX device.
18.2.1. Relay-controlled start/stop signal
Most generators support an external start/stop signal, typically via a potential-free contact. Closing the contact starts the generator, while opening it stops it.
Some generators require pulsed signals instead of a continuous connection. In such cases, additional timing relays may be needed (see below). Always refer to the generator manual or consult the supplier for details on the remote start signal wire configuration.
On the GX device, Relay 1 must be used to control the generator. After wiring the generator input to Relay 1, go to Settings → Integrations → Relay → Function (Relay #) → Genset start/stop. Once Relay 1 is configured to “Genset start/stop”, the related settings can be accessed via Settings → Devices → Genset. |
18.3. Generator start/stop menu
The general overview page of the generator start/stop function can be accessed from Settings → Devices → Genset. This page can be used to monitor the generator's status, view the error status, access Run time and service and make necessary settings.
The individual menu items have the following functions:
| |
(*) Only applicable to connected gensets. (*2) Only applicable to connected DC gensets. | |
18.4. Settings menu
In the Generator start/stop menu, scroll down and tap on Settings to bring up the Settings menu.
|
18.4.1. Alarm when autostart function is disabled
If this option is enabled, an alarm will trigger if the autostart function remains disabled for more than 10 minutes. This is particularly useful after generator servicing, in case the technician forgets to re-enable autostart mode. This feature ensures that the autostart function is not unintentionally left disabled. For digitally connected gensets, such as DSE, ComAp, and Fischer Panda, it also checks whether remote starts are enabled on the genset panel. Two alarms can be triggered:
|
18.4.2. Run time and service interval menu
Every generator requires servicing after a certain period. The recommended maintenance interval depends primarily on usage and run time. This menu allows you to set a service interval, starting a counter that triggers a warning when maintenance is due. The menu items in detail:
|
18.4.3. Warm-up & cool-down menu
The warm-up and cool-down menu allows you to configure the time the generator needs to warm up or cool down before or after operation. This is controlled via relay while the AC input relay is open and the inverter/charger is not connected.
This menu also applies to digitally connected gensets (e.g., over Modbus), where the GX relay is not used.
Note: This feature requires VE.Bus inverter/charger firmware 502 or later. It is also supported on Multi RS inverter/chargers running firmware v1.17 or later.
Warm-up time:
Cool-down time:
Generator stop time:
|
18.5. Auto start/stop conditions
On loss of communication: If communication between the Cerbo GX and the VE.Bus inverter/charger is lost, and generator start/stop parameters depend on this data, choose one of the following actions:
Stop generator when AC-input is available: Useful for backup systems where a Quattro is connected to mains/grid on AC-in 1 or AC-in 2, with a genset on the other AC input. When enabled, the genset will only stop once mains power is restored after a failure. |
The following parameters may be user-defined to trigger an automatic generator start/stop:
(* The value measured here will be the total AC consumption of the system.)
Condition parameters are prioritised in the order listed above. If multiple conditions are met simultaneously, only the highest-priority condition will be displayed as active. All enabled conditions are evaluated, even if the generator is already running. Once the active condition is satisfied, an unmet parameter in a lower-priority condition can keep the generator running.
18.5.1. Stop generator when AC-input is available
This option is ideal for backup systems where a Quattro has one AC input connected to mains power and the other to a generator.
When enabled, and the AC input connected to the grid is defined, the generator will automatically stop once mains power is restored after a grid failure. The process follows these steps:
The generator is disconnected first.
A cool-down period is applied, based on the configured setting.
An additional 15 seconds is allowed for the generator to complete shutdown.
|
18.5.2. Start/Stop based on Battery SoC
This feature allows generator control based on Battery state of charge (SoC) levels.
|
18.5.3. Start/Stop based on Battery Voltage
This feature allows generator control based on battery voltage levels.
|
18.5.4. Start/Stop based on AC load
AC load triggers work similarly to other triggers but the feature is refined by a Measurement setting. The Measurement setting is available on firmware v2.0 and later and has three possible values:
|
18.5.5. Start/Stop based on Inverter High temperature
This feature allows generator activation based on inverter temperature warnings.
|
18.5.6. Start/Stop based on Inverter overload
This feature enables generator activation in response to an inverter overload warning.
|
18.5.7. Start/stop based on tank level
This feature allows generator deactivation based on tank level, preventing airlocks when the tank runs empty.
|
18.5.8. Periodic run
This feature enables automatic periodic generator starts.
|
18.5.9. Manual Start Feature
The Manual Start feature allows you to remotely start the generator. If the generator is already running, pressing Start prevents it from stopping automatically when the condition that triggered it is met. In other words, Manual Start overrides autostop parameters.
Ways to start the generator manually:
CautionIf started manually (remotely) without a stop timer (Timed run feature), the generator will run indefinitely until manually turned off.
|
18.5.10. Quiet hours
The Quiet hours feature allows you to set a time period when generator noise would be a nuisance. During this period, the generator will only start if absolutely necessary, using adjusted autostart conditions.
How to Enable Quiet Hours
Note that if the start and stop times are set to the same value, Quiet Hours will remain active indefinitely when enabled. |
Using Quiet hours as a tool to define two sets of user-preferences
The Quiet hours feature can also be used to customise how your system responds to different conditions. For example:
Early morning/low SoC: Battery SoC is often lowest in the morning. If combined with cloudy weather or solar panels with a westerly bias(performing better in the afternoon), the generator may autostart in the morning due to low SoC. However, later in the day, as solar production increases, the generator’s work may become unnecessary. By setting Quiet hours during this period with lower autostart thresholds, you can prevent premature generator starts and make better use of available solar energy.
Holiday home: In a holiday home, power demand is significantly higher when occupied than when empty. The Quiet hours feature can help by applying lower autostart thresholds when the house is in use and higher ones when vacant.
To implement this:
Set Quiet hours as a permanent condition (see above) while the home is occupied.
Toggle Quiet hours OFF when the house is empty to allow for standard generator behaviour.
18.6. ComAp controller
18.6.1. Introduction
How does it work?
The GX device communicates (read/send) with the InteliLite 4 panel via Modbus TCP over Ethernet, using the ComAp CM3-Ethernet module (required) as the communication interface. Re-mapping Modbus registers with the InteliConfig software is necessary.
An overview of all Modbus registers used and their required mappings can be found in the appendix: Modbus holding registers for the ComAp InteliLite 4 controller
After applying the mapping, the GX device automatically detects the presence of a ComAp InteliLite 4 controller by using the identification string located in Modbus register 1307. It will recognise all modules with names starting with "InteliLite4-." This identification string also appears in the title bar of the InteliConfig window.

18.6.2. Requirements
GX device with VenusOS v3.42 or later
Supported ComAp controller
CM3-Ethernet module (ComAp order code: CM3ETHERXBX)
It may also work with the standard CM-Ethernet module (ComAp order code: CM2ETHERXBX), but has not been tested.
Ethernet network equipment
18.6.3. Installation & Configuration
Installation and configuration takes place in just a few steps. You only need to enable the Modbus Server in your CM3-Ethernet module. This can be done from the control panel or using the software for the controller, InteliConfig, which can be downloaded from the ComAp website.
No further configuration of the ComAp CM3-Ethernet module is required.
The Modbus registers must be adjusted using the InteliConfig software according to the register list as described in Modbus holding registers for the ComAp InteliLite 4 controller.
ComAp controller configuration
The following procedure outlines the steps for using the InteliConfig configuration software. Ensure you have the latest version and are connected to the controller:
Ensure Correct Units/Power Format:
Select the Controller Configuration tab
Choose Others
Select Units/Power Format
Ensure that Units is set to “Metric - 20°C, 10.0 Bar, 11.4 l/h” and Power Format is set to “Standard 1 kW/kVA/kVAr 1 V

Choose Sensors
Select "VDO 10 Bar" and ensure that the Resolution is set to "0,1" and Dim is set to "Bar"

Now select "VDOLevel %" and ensure that the Resolution is set to "1" and Dim is set to "%"

Re-mapping Modbus Registers:
In the same window, select MODBUS
Download the Modbus mapping file for Victron Energy: ComAp InteliLite GX mapping
At the bottom, under Import/Export, click the Import icon on the right
Select the downloaded mapping file and click OK
In the bottom right corner, click the Write button to save the configuration to the controller
The ComAp Modbus mapping UMOD file contains the necessary Modbus register mappings as required by the GX device. A human-readable format of the mapping can also be found in the appendix: Modbus holding registers for the ComAp InteliLite 4 controller.


Enabling the controller’s Modbus server
Select the Setpoint tab
In the subsequent menu, select the CM-Ethernet module
Enable the Modbus Server

GX device configuration
Once the GX device and the genset controller are connected to the same network, the controller will automatically appear in the Device list. The image shows an example of a DSE generator controller. If it does not appear, check the Modbus settings on the GX device by navigating to Settings → Integrations → Modbus Devices. Ensure that Automatic Scanning is enabled (this is the default setting) or manually scan for the device; it should be detected and listed under the Discovered Devices sub-menu. For reliable operation, keep automatic scanning enabled, as the network is scanned every ten minutes. If the IP address changes, the device will be rediscovered. However, it is advisable to assign a static IP address to the controller to avoid unexpected communication loss. |
18.7. CRE Technology controller
18.7.1. Introduction
How does it work?
The GX device communicates with the CRE controller by reading and sending data according to the controller's Modbus TCP specification, using the Ethernet connectivity of the CRE controller.
By utilising the identification values retrieved via Modbus, the GX device automatically detects the presence of the controller.
18.7.2. Requirements
GX device with VenusOS v3.50 or later
Supported CRE controller with firmware version v2.0 or later
Ethernet network equipment
18.7.3. Installation & Configuration
Prerequisites
The CRE controller allows you to change the units for pressures and temperatures; however, the GX device expects oil pressure to be configured in bar and temperatures in °C. Please ensure that the units are set correctly.
GX device configuration
Once the GX device and the genset controller are connected to the same network, the controller will automatically appear in the Device list. The image shows an example of a DSE generator controller. If it does not appear, check the Modbus settings on the GX device by navigating to Settings → Inetgrations → Modbus Devices. Ensure that Automatic Scanning is enabled (this is the default setting) or manually scan for the device; it should be detected and listed under the Discovered Devices sub-menu. For reliable operation, keep automatic scanning enabled, as the network is scanned every ten minutes. If the IP address changes, the device will be rediscovered. However, it is advisable to assign a static IP address to the controller to avoid unexpected communication loss. |
18.8. DSE- Deep Sea generator controller support
18.8.1. Introduction
By integrating a Deep Sea Electronics (DSE) genset controller with a GX device, it is possible to read out AC data, oil pressure, coolant temperature, tank level, number of engine starts and further status readings. In addition, it supports digital start/stop signalling from the GX device.
How does it work?
The GX device communicates with the Deep Sea Electronics (DSE) controller by reading and sending data via the DSE "GenComm" Modbus specification. This communication occurs either through the Ethernet connection of the DSE controller itself or, for controllers without an Ethernet interface, via the Deep Sea Electronics DSE855 USB-to-Ethernet communications device or another compatible Ethernet-enabled DSE gateway that supports Modbus TCP.
Using the identification values obtained via Modbus, the GX device automatically detects the presence of the controller.
18.8.2. Requirements
GX device with VenusOS v3.12 or later
Supported DSE controller
For models that only offer USB connectivity (see the table in How to integrate), a Deep Sea Electronics DSE855 (or a similar device) is required.
Ethernet network equipment
Special Case: DSE 4520 MKII (Venus OS v3.50 or later)
Unlike all other supported DSE controllers, the DSE 4520 MKII does not accept control commands via digital communication. Therefore, a wired control signal must be used through the "Connected genset helper relay" function. Further information can be found in the next section.
18.8.3. Installation & Configuration
GX device configuration
Once the GX device and the genset controller are connected to the same network, the controller will automatically appear in the device list. If it does not appear, check the Modbus settings on the GX device by navigating to Settings → Integrations → Modbus Devices. Ensure that Automatic Scanning is enabled (this is the default setting), or manually scan for the device; it should then be detected and listed under the Discovered Devices sub-menu. For reliable operation, keep automatic scanning enabled, as the network is scanned every ten minutes. If the IP address changes, the device will be rediscovered. However, it is advisable to assign a static IP address to the controller to prevent unexpected communication loss. |
Connected genset helper relay
Relay 1 on the GX device can be configured as a Connected genset helper relay.
This setting allows Relay 1 to operate in parallel with the digital control commands of a connected DSE 4520 MKII. Relay 1 remains open while the genset is stopped and closes as soon as the start command is given.
This feature is useful for:
For wiring instructions, refer to Relay-controlled start/stop signal |
18.9. DEIF controller
18.9.1. Introduction
How does it work?
The GX device reads from and sends data to the DEIF controller via the controller’s Modbus specification, using either the Ethernet connection or the RS485 Port 1 of the DEIF controller. By utilizing the identification values found via Modbus, the GX device automatically detects the presence of the controller.
18.9.2. Requirements
GX device with Venus OS v3.50 or later
Supported DEIF AGC 150 controller with firmware version 1.19.0 (from May 2024) or later
For integrating via Ethernet: Ethernet network equipment
For integrating via RS485: Victron Energy RS485 to USB interface (part number ASS030572050 or ASS030572018)
18.9.3. Installation & Configuration
Setting the correct scaling parameter Currently, only the default value for the controller’s "Scaling" parameter (Channel 9030, value 100 to 25000 V) is supported. Before connecting, make sure that this setting is correct. The setting is available via the controller’s display at Parameter → Basic settings → Measurement setup → Scaling → Scaling. To make changes, enter the master password (default: 2002) and set it to the default range of 100 to 25000 V. | ![]() |
For Ethernet connection Use the Ethernet port of the DEIF controller to connect it to the same Ethernet network as the GX device. |
For RS485 connection The DEIF AGC 150 controller series has two RS485 ports, of which Port 1 is galvanically isolated. Galvanic isolation prevents so-called ground loops, which can otherwise lead to damage to the devices due to unwanted currents. Therefore, Port 1 must be used, as explained in the table. After connecting the controller to the GX device, use the controller’s display and navigate to Parameters → Communication → RS485 → RS485 1 → Parameters, enter the master password (default is '2002') and set the parameters as follows:
|
| |||||||||||||||||||||
![]() |
GX device configuration Once the GX device and the genset controller are connected, it will automatically appear in the Device list. If using the Ethernet method and it does not show up, check the Modbus settings on the GX device, Settings → Integrations → Modbus Devices, and ensure Automatic scanning is enabled (default setting) or scan for it; it should be automatically detected and appear in the Discovered devices sub-menu. For this to work reliably, automatic scanning must remain switched on. The network is scanned every ten minutes. If the IP address changes, the device will be found again. It is nevertheless advisable to assign a static IP address to the controller to prevent unexpected communication loss. |
18.10. Fischer Panda Generator support
18.10.1. Introduction
The GX device reads from and sends data to the Fischer Panda generator via a VE.Can connection, using the Fischer Panda SAE J1939 module (required). Both AC and DC generators are supported.
18.10.2. Requirements
GX device with firmware v2.07 or later
Fischer Panda generator, xControl, iGenerator or fpControl GC
Fischer Panda SAE J1939 CAN module (part number 0006107)
Fischer Panda FP-Bus to VE.Can adapter (part number 0023441)
Optional: FP-CAN to NMEA2000 (FP Art. No 0031409)
Fischer Panda firmware requirements:
iControl (for the iGenerator): v2.17 or higher
iControl panel: no minimum requirement
xControl (for the constant speed generators): 4V38 or higher
xControl panel: 4V29
fpControl (for AC and DC generators): any version
fpControl Panel: 4V29 or higher
Fischer Panda SAE J1939 CAN module: 2V05 or higher
Fischer Panda three-phase module: 4V0b or higher
Fischer Panda NMEA2000 interface: 2V11 or higher
18.10.3. Installation and configuration
Connecting a Fischer Panda xControl generator
The schematic below shows how to connect a Fischer Panda xControl generator.
![]() |
Connecting a Fischer Panda iControl generator
The schematic below shows how to connect a Fischer Panda iControl generator.
![]() |
Connecting a Fischer Panda fpControl generator
The schematic below shows how to connect a Fischer Panda fpControl generator.
![]() |
18.10.4. GX device configuration and monitoring
Important
Important: Operation of the generator is only possible and allowed when the xControl, or the fpControl or iControl panel is switched on.
Ensure that in Settings → Connectivity the selected CAN-bus profile is "VE.Can (250kbit/s)". This is the default and supports NMEA 2000. |
When all wiring is complete and the setup has been correctly carried out, the Fischer Panda will show up in the Device list: |
Entering the Fischer Panda device on the menu reveals a page like this: Notice that it features an on/off switch as well as displaying status information, and the main AC parameters: voltage, current and power. |
Engine temperature, RPM and additional information are all available by entering the Engine sub menu item. |
18.10.5. Maintenance
Before performing any maintenance on the generator, always stop it using the Fischer Panda control panel. This disables the autostart feature, preventing the generator from being remotely started, such as by a Cerbo GX.
After maintenance is complete, re-enable the autostart feature via the Fischer Panda control panel in the menu Generator → Autostart → Turn On/Off.
18.11. Hatz fiPMG DC Generator
18.11.1. Introduction
How does it work?
The Hatz fiPMG DC generator is a flywheel-integrated Permanent Magnet Generator (PMG) that adjusts to varying load levels with variable speed. It is powered by a Hatz E1 diesel engine with electronically controlled injection.
The Power Supply Unit provides adjustable output voltages for 28 Volt or 56 Volt systems and communication between PSU – ECU – Victron GX device acc. SAE J1939.
The Double CAN inverter has two separate CAN ports:
CAN port 1: Handles communication between the PSU (inverter) and the ECU of the engine.
CAN port 2: Manages communication between the PSU and the GX device.
For further details, visit www.hatz.com where you can access all electrical diagrams and additional unit-specific information.
18.11.2. Requirements
GX device with firmware Venus OS v3.50 or later
Hatz fiPMG generator with Double CAN PSU (inverter) for DC output in 28V or 56V
Cable VE-CAN to HATZ-CAN (available for purchase from HATZ)
18.11.3. Installation & Configuration
Connecting a Hatz fiPMG generator
The diagram below shows how to connect the Hatz fiPMG DC generator with the GX device.

GX device configuration
Ensure that in Settings → Services the selected CAN-bus profile is "VE.Can (250kbit/s)". This is the default and supports NMEA 2000. Once the GX device and the genset controller are connected, it will automatically appear in the Device list. |
18.11.4. Maintenance
For maintenance instructions, refer to the fiPMG manual.
18.11.5. Troubleshooting
PSU list of error codes: See www.hatz.com (CAN protocol E-series)
ECU list of error codes: See www.hatz.com (Diagnostic trouble codes E-series)
18.12. Generator state and improved operating hours via a digital input
For accurate engine status and improved tracking of accumulated operating hours on the GX device, an additional dry-contact signal wire can be used.
There are two common wiring options:
Using a potential-free output on the genset controller (if supported) to report the engine state.
Using an AC helper relay on the generator’s AC line, which closes a potential-free contact as soon as the genset starts supplying power.
To enable this feature, go to Settings → Integrations → Digital I/O and configure the respective input as “Generator”. Once configured, the generator state will be visible in the Device list, and the total run time will be determined based on the state of this digital input. |
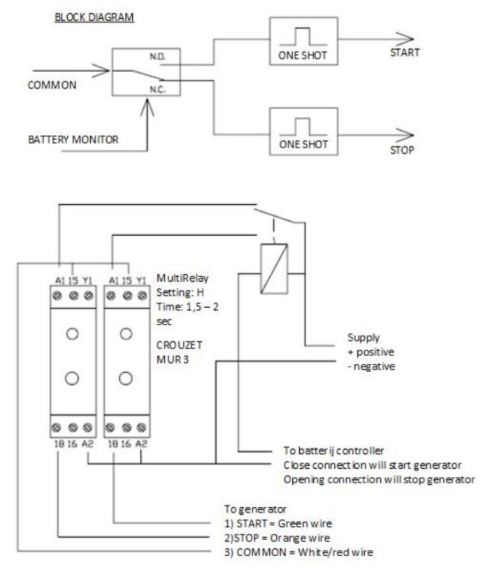
18.13. Wiring a generator with a three-wire interface
To start a generator with a three-wire interface, the open/close contact must be converted into separate start and stop pulses. The solution below, using standard timing relays, achieves this by:
Generating a start pulse when the open/close contact closes.
Generating a stop pulse when the open/close contact opens.
Important: This method should only be used with generators that have their own control panel for monitoring and automatically stopping in case of issues such as low oil pressure. Do not wire this directly to the starter motor or fuel solenoid.
![]() |






